Loading...
 

Dinamo


Aansturing schaduw station met relais

Belgium

Hoi allemaal,

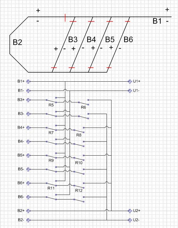
ik wil een schaduw station in mijn layout aansturen met relais. nu heb ik een vraag over de keerlus die bij in het schaduw station zit.

Moet ik de aansluitingen van blokkaart U2 ompolen of aansluiten zoal in bijgevoegd schema, en hoe configureer ik dit in koploper ?

Gr
Dirk

Netherlands

De netste oplossing vind ik B2 ompolen (andersom aansluiten dus) en een ompoolvinkje zetten in Koploper tussen B1 en B2

Mvg,
Leon


Belgium

Hoi Leon,

bedankt voor de tip, dat ompool vinkje had ik nog niet opgemerkt in koploper.

Mvg.
Dirk


 
Dutch (Nederlands, nl)English British (British English, en-uk)French (Français, fr)German (Deutsch, de)